
產品中心
product center-
智慧氣象
智慧水文
智慧農業
智慧水質
智慧公路
智慧大氣
智慧光伏
智慧傳感器
生化檢測儀
山東九丞智能科技有限公司
聯系人:劉經理
手機:13276361891
電話:0536-2117918
QQ:1773439458
公司地址:山東省濰坊高新區新城街道玉清社區金馬路1號歐龍科技園3號車間2-205

八要素微氣象儀
產品廠家:九丞智能科技
產品簡介:一、產品簡介 我司作為專業研發生產銷售微型氣象儀的企業,一直致力于微型氣象儀和氣象環境解決方案推廣應用。具有完整的生產鏈、實力雄厚的技術團隊和全面的營銷團隊,我們研發生產的超聲波風速風向儀、五要素微氣象儀、六要素微氣象儀和小型自動氣象站等氣象產品,已廣泛應用到氣象監測、城市環境監測、風
- 廠家客服:

- 廠家電話:13276361891
一、產品簡介
我司作為專業研發生產銷售微型氣象儀的企業,一直致力于微型氣象儀和氣象環境解決方案推廣應用。具有完整的生產鏈、實力雄厚的技術團隊和全面的營銷團隊,我們研發生產的超聲波風速風向儀、五要素微氣象儀、六要素微氣象儀和小型自動氣象站等氣象產品,已廣泛應用到氣象監測、城市環境監測、風力發電、航海船舶、航空機場、橋梁隧道等領域,客戶遍布全國各地,并取得了良好的社會效益和經濟效益。
與傳統的微型氣象儀相比,我司產品克服了對高精度計時器的需求,避免了因傳感器啟動延時、解調電路延時、溫度變化而造成的測量不準問題。
WQX8型八要素微氣象儀創新性地將氣象標準參數(風速、風向、溫度、濕度、氣壓、pm2.5、pm10、噪聲)通過一個高集成度結構來實現,可實現戶外氣象參數24小時連續在線監測,通過數字量通訊接口將八項參數一次性輸出給用戶。產品結構緊湊,外形美觀、大方、高度集成。
二、產品特點
1、頂蓋隱藏式超聲波探頭,避免雨雪堆積的干擾,避免自然風遮擋☆
2、原理為發射連續變頻超聲波信號,通過測量相對相位來檢測風速風向☆
3、風速、風向、溫度、濕度、氣壓、pm2.5、pm10、噪聲八要素一體式☆
4、采用先進的傳感技術,實時測量,無啟動風速☆
5、抗干擾能力強,具有看門狗電路,自動復位功能,保證系統穩定運行
6、高集成度,無移動部件,零磨損
7、免維護,無需現場校準
8、采用ASA工程塑料室外應用常年不變色
9、產品設計輸出信號標配為RS485通訊接口(MODBUS協議);可選配232、USB、以太網接口,支持數據實時讀取☆
10、可選配無線傳輸模塊,最小傳輸間隔1分鐘
11、探頭為卡扣式設計,解決了運輸、安裝過程松動不準的問題☆
三、技術參數
1、風速:測量原理超聲波,0~60m/s(±0.1m/s)分辨率0.01m/s;
2、風向:測量原理超聲波,0~360°(±2°);分辨率:1°;
3、空氣溫度:測量原理二極管結電壓法,-40-80℃(±0.3℃),分辨率0.01℃;
4、空氣濕度:測量原理電容式,0-100%RH(±3%RH),分辨率:0.01%RH;
5、大氣壓力:測量原理壓阻式,300-1100hpa(±0.25%),分辨率0.1hpa;
6、PM2.5:0-1000ug/m3(±10%)
7、PM10:0-1000ug/m3(±10%)
8、噪聲:30-120dB(±1.5dB)
9、功率:0.72W
10、生產企業具有ISO質量管理體系、環境管理體系和職業健康管理體系認證☆
11、生產企業具有計算機軟件注冊證書☆
12、生產企業為3A級信用企業☆
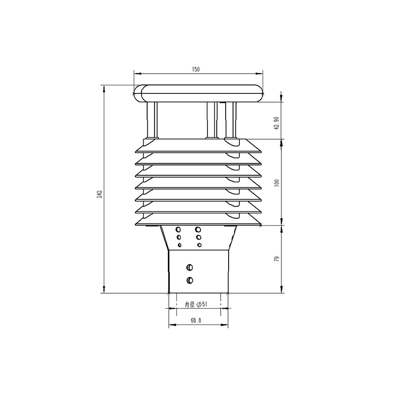
四、產品尺寸圖
五、產品結構圖
1、控制電路
2、指北箭頭
3、超聲波探頭
4、百葉箱PM2.5、PM10
5、溫度、濕度、噪聲、氣壓監測位置
6、法蘭轉換頭
※此產品可選配電子羅盤功能
六、產品接線定義
| 定義 | 備注 | |
| VCC | 電源正 | DC12V |
| GND | 電源地 | |
| 485A | RS485A | |
| 485B | RS485B |
文章地址:http://www.dmrongqi.com/wxqxy/1133.html





